Powered by Smartsupp

Vannes électromagnétiques 2/2 2/2, G 1/2"
AC230V, NC (orifice 6 mm)

  • Code: ZS1DF02E4D06
  • Poids: 0,50 kg
Variante
Quantité
43,49 €
Les prix sont indiqués hors TVA
SUR LE STOCK

Informations de base

  • Matériau du joint: EPDM
  • Type 2/2 – sans tension fermé (NC)
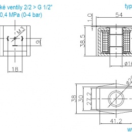
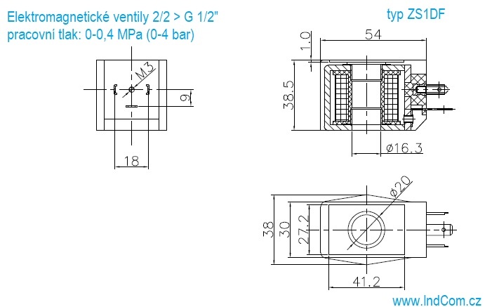
  • Raccordement: G 1/2"
  • Pression de travail maximal: Max.0.35 MPa (3.5 bar)
  • Température de médium: –20 ℃~+130 ℃
  • Pression de travail: 0 - 0.35 MPa (0-3.5 bar)
  • Débit: – selon le type de vanne
  • Écoulement:
  • Trou: 6 mm
  • Type de vanne: commandée directement
  • Puissance: 20VA
  • Tension: DC: 24V - tolérance de tension - 10%
  • Viscosité du liquide: ≤21 mm2/s
  • Utilisation: des gaz, des liquides
  • Matériau du corps: AISI 304
  • Mesures: 53x26x85 mm
  • La vanne peut fonctionner avec une pression nulle
  • La résistance élevée de la bobine: ≥ 5000000 cycles
  • Poids: 760g
  • Tension: AC: 230V(50/60Hz)

Les vannes sont fournies avec des bobines et connecteurs.

Nous nous soucions de votre vie privée

Nous avons besoin de votre consentement pour l'utilisation de cookies afin que nous puissions mieux personnaliser le site Web pour vous et le rendre plus facile à utiliser. En cliquant sur le bouton "J'accepte", vous acceptez l'enregistrement de cookies dans votre navigateur, grâce auxquels vous pourrez utiliser au maximum le potentiel du site. Les détails peuvent être trouvés sur la page "Informations sur les cookies".