Powered by Smartsupp

Électrovanne en acier inoxydable 2/2, G 1/2 "
DC24V, NC (orifice 6 mm)

  • Code: ZS1DF05E4D06_DC24V
  • Poids: 0,50 kg

Électrovanne en acier inoxydable 2/2, G 1/2 " | DC24V, NC

Variante
Quantité
43,49 €
Les prix sont indiqués hors TVA
SUR LE STOCK

Informations de base

Application : les électrovannes sont utilisées pour la fermeture, l'ouverture et le contrôle du débit de fluides gazeux et liquides.

Type 2/2 fermé sans tension (NC)
Type de vanne à commande indirecte
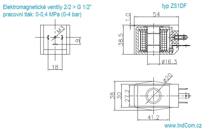
Raccordement G1/2"
Trou (orifice) 6 mm
Pression de service 0 à 0,3 MPa (0-3 bar)
Pression de service maxi 0,3 MPa (3 bar)
Utilisation gaz neutres, liquides
Viscosité liquide ≤21 mm2/s
Température moyenne –20 ℃ ~ + 130 ℃
Matériau du corps de vanne AISI 304
Matériau du joint silicone (VMQ)
Durée de vie de la bobine ≤ 1 000 000 cycles
Tension DC 24 V
Protection IP65
Dimensions 53 x 26 x 85 mm

Les vannes sont fournies avec une bobine et un connecteur.

Nous nous soucions de votre vie privée

Nous avons besoin de votre consentement pour l'utilisation de cookies afin que nous puissions mieux personnaliser le site Web pour vous et le rendre plus facile à utiliser. En cliquant sur le bouton "J'accepte", vous acceptez l'enregistrement de cookies dans votre navigateur, grâce auxquels vous pourrez utiliser au maximum le potentiel du site. Les détails peuvent être trouvés sur la page "Informations sur les cookies".