Powered by Smartsupp

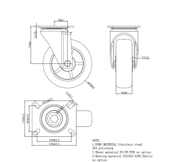
Roulettes de transport, pivotantes, acier inoxydables, diamètre 150 mm

  • Code: M-WP0C-15050GSUS304E
  • Poids: 1,95 kg
Variante
Quantité
641,00 Kč
Les prix sont indiqués hors TVA
SUR LE STOCK

Informations de base

Mesure de la roue diamètre 150 mm, épaisseur 50 mm
Matériau de la rouePU (Polyuretane)
Matériau de construction de la roueAISI 304-acier inoxydable
Capacité de charge150 kg
Pièce jointela fourche pivotante avec plaque de serrage
Placez la roue dans la fourcheroulement en acier inox
Hauteur du bâtiment190 mm
Limites de température (en ce qui concerne le matériau utilisé)- 20 °C/120 °C
Dimensionsvoir dessin
Nous nous soucions de votre vie privée

Nous avons besoin de votre consentement pour l'utilisation de cookies afin que nous puissions mieux personnaliser le site Web pour vous et le rendre plus facile à utiliser. En cliquant sur le bouton "J'accepte", vous acceptez l'enregistrement de cookies dans votre navigateur, grâce auxquels vous pourrez utiliser au maximum le potentiel du site. Les détails peuvent être trouvés sur la page "Informations sur les cookies".