Powered by Smartsupp

Hopsdrop - le réservoir pour l'houblonnage à froid
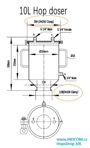
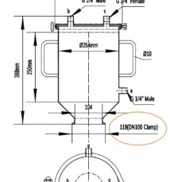
Hops Drop 10L

  • Code: HD_10
  • Poids: 14,00 kg

Conteneur pour houblonnage à froid, à raccorder au fond voûté supérieur de la cuve et pour doser le houblon granulé lors de l'équilibrage de pression.

Nous avons créé pour vous un site Web sur Hops Drop et Hops Master!

 👉 Click sur www.hopsmaster.fr ou www.hopsmaster.eu

579,32 €
Les prix sont indiqués hors TVA

Informations de base

Conteneur pour houblonnage à froid, à raccorder au fond voûté supérieur de la cuve et pour doser le houblon granulé lors de l'équilibrage de pression.

Le HopsDrop se compose généralement d'une vanne papillon DN 100 qui se fixe sur le fermenteur (la vanne peut s´adapter en fonction de votre entrée sur le fermenteur ). Ensuite, le HopsDrop possède une vanne 1/4" BSP pour votre entrée de CO2 en bas, poussant l'oxygène vers la vanne 1/4" BSP en haut, sur le couvercle. Un manomètre 0-4Bar est également installé sur le couvercle.

 

Pour plus d'information veuillez contacter:

Ing. Milan Janů, tel: 739 518 466, ou mjanu@water4life.cz

Nous nous soucions de votre vie privée

Nous avons besoin de votre consentement pour l'utilisation de cookies afin que nous puissions mieux personnaliser le site Web pour vous et le rendre plus facile à utiliser. En cliquant sur le bouton "J'accepte", vous acceptez l'enregistrement de cookies dans votre navigateur, grâce auxquels vous pourrez utiliser au maximum le potentiel du site. Les détails peuvent être trouvés sur la page "Informations sur les cookies".